光电纠偏系统概述
GDJP-3型光电纠偏系统是对薄型软物料在传送过程中水平方向位置偏移进行控制的系统,具有自动检测、自动跟踪、自动调整等功能,能对纸张、薄膜、不干胶带、铝箔等物料的标志线或边缘进行跟踪纠偏,以使得卷绕、分切的整齐。GDJP-3型光电纠偏系统可用于轻工、纺织、印染、EP 刷等行业。
光电纠偏系统的组成
该光电纠偏系统由三部分组成:
- 组成一:传感器。采用光电检测开关检测“线”标志或“边”标志的偏差。
- 组成二:GDJP-3型光电纠偏仪。对采样信号进行逻辑运算,输出控制信号。
- 组成三:机械执行机构。由交流同步电机、丝杠、拖板等组成,完成对物料的牵引,修正物料运行时的偏差。

技术指标
- 跟踪标志宽度
①对线工作标志线宽度> 2mm
②对边工作边标志侧保持5mm以上同色度区 - 光电检测开关与物料的距离12mm±2mm
- 响应时间 10ms
- 灵敏度 ±0.1mm
- 纠偏速度:15~30mm/s
- 输出容量:由电机的输出功率决定
- 位置失控保护
工作条件
1、工作电压 AC220V 土 10%50Hz2、环境温度50℃以下
3、空气温度在≤85%(25℃)
工作原理
GDJP-3型光电纠偏系统中,由光电检测开关检测边或线的位置,以拾取边或线位置偏差信号。再将位置偏 差信号进行逻辑运算,产生控制信号,用交流同步电机驱动机构执行机械(丝杠、拖板等),修正物料运行时的蛇型偏差,控制物料直线运动。在偏差方向上设置左、右限位开关,防止系统失控。
原理框图如下:
GDJP-3光电纠偏仪器结构及功能
| 仪器外形尺寸 宽: 长: 高: 1、前后面板 | ![]() |
前面板上,“极性+ ”、“对线”、“自动”、“手动”分别为工作方式指标灯,指示当前的工 作方式,它们分别由“极性”、“边线”、“自动”、“手动”按钮控制。
“极性”按钮用于设定电机在自动控制状态的旋转,使系统环路构成负反馈。
“边线”按钮用于设定系统在“对边”或“对线”方式下工作。
“自动”、“手动”按钮用于控制系统的工作状态。
“左限位”、“右限位”指示灯用于指示二限位开关的状态。
“正偏”、“负偏”指示灯用于指示物料的偏移状态,二灯同时熄灭时为平衡状态。
“左”、“右”指示灯用于指示电机的转动方向。
“左”、“右”按键用于在手动状态下控制电机的转动。自动状态下,二键无效。
2、后面板传感器端子:

1、交流同步电机参数如下表:
1、2、3脚为光电开关1连接端子。其中,1脚:+ 15v;2脚:信号;3脚:地。
4、5、6脚为光电开关2连接端子。其中,4脚:+ 15v;5脚:信号;6脚:地。
7、8、9脚为左限位开关连接端子。其中,7脚:+ 15v ;8脚:信号;9脚:地。
当用常开或常闭开关限位开关时,连接至8、9脚,7脚悬空。
10、11、12脚为右限位开关连接端子。其中,10脚:+ 15v;11脚:信号;12脚:地。
连接方法用于左限位开关。
电机端子用于连接同步电机。
1脚:红 2脚:黄 3脚:白 4脚:蓝。
(2脚、3脚在仪器内部相接)
仪器内部跳线设置
运行前需对GDJP-3线路板上的JP2、JP3跳线设置。
用常开开关作限位开关时,GDJP-3线路板上的JP2跳线连接;用常闭开关时,JP2跳线断开。
用双光电开关作对边控制时,JP3跳线连接;用单光电开关作对边控制时,JP3跳线断开,: 此时,电机处于正转或反转状态,无平衡点。
光电检测开关
选用Y211V-1G型标志反射式光电检测开关,主要参数如下:
光源色:绿色
光斑直径:巾1mm
检测距离:12mm ± 2mm
响应时间:1ms
外型尺寸:
外型尺寸:

机械执行机构
1、交流同步电机参数如下表:
| 电机型号 | 输入电压 | 输入电流 | 同步转速 | 额定转矩 | 移相电容 | 移相电阻 |
| 90TDY115 | AC 220V | AC 0.35A | 115r/min | 2000mN.m | 2.7 m F/400v | 680 Q /50w |
| 110TDY115 | AC 220V | AC 0.55A | 115r/min | 3200mN.m | 4 n F/400v | 450 Q/100w |
| 130TDY115 | AC 220V | AC 0.7A | 115r/min | 4200mN-m | 6 m F/400v | 360 Q/100w |
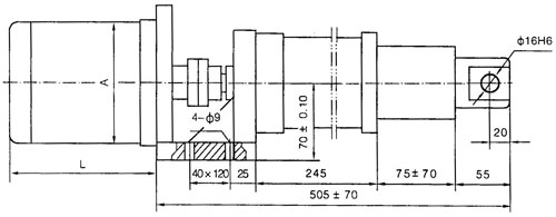
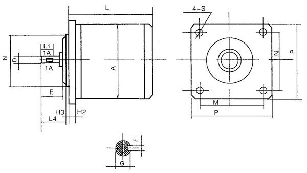
2、机械执行机构外型及安装尺寸示意如下:
| ![]() |


外型尺寸如下:
| A | N | D | E | L4 | H2 | H3 | P | M | S | L | G | L1 |
| 90 | 70H2 | 9F | 22 | 24 | 10 | 4 | 94 | 76 | 6.6 | 102 | 8 | 16 |
操作方法
1、开启电源,将控制仪设定在“手动”状态。2、设定系统的“边”、“线”状态e
3、用“左”、“右”按键调整物料位置,使“线”标志或“边”标志处于光电检测天关下方。
4、调整光电检测开关位置
①当系统“对线”工作时,调整光电检测开关,使光斑位置处于标志线两边缘,如图U 若标志线较宽时,亦可按图2所示调整光斑。
②当系统用双光电开关作“对边”工作时,使光斑处于分界线的两边缘,如图3。

③当系统用单光电开关作“对边”工作时,使光斑处于分界线上。光电开关连接于后面板 上传感器端子的1、2、3脚。
④调整光电检测开关与物料的垂直距离,使光斑清晰。
5、调整光电检测的敏感度调整旋钮,使光电检测开关对浅色和深色能有不同状态的信号输出。
6、用“左”、“右”按键调整物料的位置,使其稍偏移平衡状态,然后,设定系统工作于 “自动”状态,若物料能回到平衡,说明系统的“极性”设定正确。否则,按“极性”钮,改 变当前的“极性”。 '
7、设定系统工作在“自动”状态,开启卷绕或分切设备,系统开始运行。
2、本系统的纠偏精度主要决定于光斑位置的调整。应先调整其中一个让光斑位置处于使该光电检测开关状态翻转的临界位置。然后再调整另一个。
3、对于“对线”工作方式,平衡时,两光电检测开关输出信号相同;对于“对边”工作 方式,平衡时,两光电检测开关输出信号相反。
4、当“限位”开关动作时,同步电机停止转动,蜂鸣器报警。需在“手动”状态调整物 料位置平衡点。左限位开关动作时,只能用“右”键调整物料位置。右限位开关动作时,只能 用“左”键调整物料位置。二限位开关有方向之分。
5、自动卷绕、分切时,若有意外情况要停止运行,只需按“手动”钮,进入“手动”状 态,不一定要关电源。
6、在“对边”状态,若物料为白色,请用黑色检测辊。以形成明显的色差。
7、当物料参差不齐较严重时,宜降低物料运行速度。
④调整光电检测开关与物料的垂直距离,使光斑清晰。
5、调整光电检测的敏感度调整旋钮,使光电检测开关对浅色和深色能有不同状态的信号输出。
6、用“左”、“右”按键调整物料的位置,使其稍偏移平衡状态,然后,设定系统工作于 “自动”状态,若物料能回到平衡,说明系统的“极性”设定正确。否则,按“极性”钮,改 变当前的“极性”。 '
7、设定系统工作在“自动”状态,开启卷绕或分切设备,系统开始运行。
注意事项
1、将光电检测开关安装于检测辊上方,使光线照射于物料振动zui小处,入射光线与检测辊的切线垂直。2、本系统的纠偏精度主要决定于光斑位置的调整。应先调整其中一个让光斑位置处于使该光电检测开关状态翻转的临界位置。然后再调整另一个。
3、对于“对线”工作方式,平衡时,两光电检测开关输出信号相同;对于“对边”工作 方式,平衡时,两光电检测开关输出信号相反。
4、当“限位”开关动作时,同步电机停止转动,蜂鸣器报警。需在“手动”状态调整物 料位置平衡点。左限位开关动作时,只能用“右”键调整物料位置。右限位开关动作时,只能 用“左”键调整物料位置。二限位开关有方向之分。
5、自动卷绕、分切时,若有意外情况要停止运行,只需按“手动”钮,进入“手动”状 态,不一定要关电源。
6、在“对边”状态,若物料为白色,请用黑色检测辊。以形成明显的色差。
7、当物料参差不齐较严重时,宜降低物料运行速度。

